글쓴이 : SOONDORI
무심결에 부품을 주문하려다가… 어라? 0.047F, 0.47F, 1F 등 ‘F’, 패럿(Farad) 단위로 나오는 슈퍼 커패시터는, 그냥 대용량 커패시터이다.
* 관련 글 : 인켈 AX-7R 인티앰프의 오류 (2)
사용 목적은, 사용자가 AX-7R의 AC 플러그를 빼고 기기를 한참 동안 보관했다가 다시 AC 플러그를 꽂고 사용하려고 할 때의 POR 처리 즉, 최초 HIGH 상태를 유지하거나 또는 무엇인지 모를 마지막 동작 상태를 기억하거나. 튜너의 경우라면, 메모리 백업용으로. (당장에 교체품이 없으면 1000uF짜리 커패시터를 써도 된다.)
건전지도 아니고 배터리도 아닌, 그런데 당장은 속이 텅텅 빈 작고 큰 용량의 부품을 충전해보았다.

1) 구 품 : 직전에 2.2V 정도 잔량이 있었던 것 같은데… 아무튼, 충전 안 됨. 화학적으로 불량해진 것.
2) 신품 : 짧은 순간 전류를 잡아먹고 이후 에너지를 그대로 유지. 가만 놔두고 몇 년 지나면 또 텅~ 빈 상태가 될 것이다.
충전된 신품을 보드에 마운트. 그리고 POR 파형을 관찰.

예상한 LOW 파형 없음.

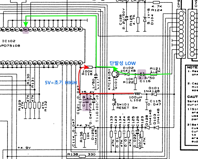
그러니까… 다이오드 + 커패시터 + 트랜지스터 조합 LOW 펄스 생성 회로가 문제인 것.

D102 캐소드 파형은 다음과 같이 정상이다. 거기까지는 전혀 문제가 없음. 그런데, 정작 #32핀 파형이 믿믿했던 것은… 결국, R118, C117, Q101 세 가지 부품에 숨어 있는 어떤 원인 때문임.

다짜고자 트랜지스터 단품 검사 → 이상 없음. 그러나 타 신품으로 대체. 커패시터 신품 대체. LOW 펄스 반응 정상. 그럼에도 여전히 #32핀에 LOW 펄스가 잡히지 않음. 그렇다면… 저항 문제? 참고로, 리셋 스위치를 누르면, 정상적인 LOW 펄스가 관찰된다.
(시간 흐른 후)
에라이~! #32핀이 아니라 #45 핀이 MCU Reset 핀.

양자 100K오움으로 연결은 되어 있지만… 아무튼, #45 핀 파형은 기대했던 그대로…. HIGH → LOW → HIGH 순환 중. 그러나 버튼 누름에 의한 전원 단속은 되지 않는다. 다른 입력 변수가 있다는 뜻이겠다.
이제, POR 검토는 끝내고 모든 것을 원복한 후 제3의 변수 찾기. 슈퍼 커패시터 전위 문제가 있었으니까… 원복했더니 재수 좋게 마구 돌아갈지도 모를 일이다. 다음 글에서 계속.
* 관련 글 : 인켈 AX-7R 인티앰프의 오류 (4)

셀렉터 엔코더 부분 이 접속 불량이면 에러로(무한회전)
설랙터 모터가 회전 하지만 정렬(리셋)?
안되면 그냥 꺼짐니다
오랜 만에… 잘 지내셨습니까? 조언 고맙습니다.^^