글쓴이 : SOONDORI
예쁜 라디오. 소개 시점인 1969년의 디자인 감성을 그대로, 현재로 옮겨와도 좋겠다.
SABA 샌디 자동 | 당신을 기쁘게 할 우아한 휴대용 기기. 풍부한 사운드와 맑고 깨끗한 음질. 브릴리언트 화이트, 카라멜, 바이아 레드, 팬서 블랙의 네 가지 매력적인 색상으로 출시됩니다. 고급 가죽 느낌의 케이스는 넉넉한 패딩 덕분에 충격과 마모에 강합니다. 실용적이고 안전하게 휴대할 수 있습니다!
추가 장점 : 전원 공급 장치가 내장되어 있어 언제든지 220V AC에 연결 가능. 자동 FM 초점, 전환 가능. 4개 파장대역: FM, HF, MW, LW. 2W 출력 전력을 갖춘 무철심 푸시풀 전력 증폭기. 선형 눈금이 있는 큰 각도 눈금
기술 사양: 트랜지스터 10개, 다이오드 7개, 정류기 1개. 회로: AM 5개, FM 8개. 주파수 대역: 영국 87.5-104MHz, K 5.8-12.5MHz, M 510-1630kHz, L 150-260kHz. 내장 안테나: M 및 L용 페라이트 안테나, K 및 U용 텔레스코픽 안테나. 전력 증폭기: 무철심 푸시풀 증폭기, 출력 2W. 푸시 버튼: U, M, K, L, 자동 꺼짐. 회전식 노브: 전원 스위치 겸용 볼륨 조절, 방송국 선택. 스피커: 12/8cm. 전원 공급 장치: 베이비 셀 5개, 각 1.5V 또는 220V AC. 크기: 27 x 16.5 x 7.5cm(가로 x 높이 x 깊이). 무게: 2kg.

(출처 : https://www.hifi-archiv.info/Saba/1970/)
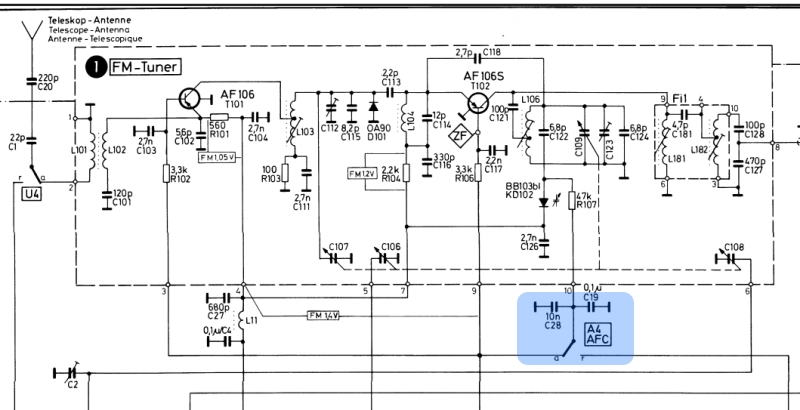
Automatic 단어가 붙은 이유는… AFC를 상징하는 듯.
Auto Gain 땡땡, Auto Frequency 땡땡, Auto Stop, 먼 옛날에는 Auto를 많이 좋아했다. 요즘은 그것의 연장선에서 ‘AI’로 바꿔서 부르기도…

(https://inf.news/en/digital/fa5b68c947581882da2c4f7aa46ea159.html)
사바는, 빈티지 라디오에서 비율검파를 애용한다.



디자인 끝내 줍니다.
라디오 좋아하는 부인에 선물용으로 .. 이쁨 받을 물건입니다.