글쓴이 : SOONDORI
“고맙습니다” 아래는 2025년 10월 27일, JK LEE 님께서 제공해 주신 자기 증폭기(Magnetic Amplifier) 관련 ZIP 자료 중 일부.
2010년의 어떤 잡지 기사에서. (스웨덴어 번역은 살짝 까다로운…) 룬달 자기 앰프는 산업용 세상의 솔루션을 차용한 것. 초기 제작품이 있었고 사업을 중단했는데, 독일 제작사 어쿠스틱 플랜이 룬달의 협조를 받고 제대로 제품화한 사례이다.
[ 관련 글 ]
Lars Lundahl의 마그네틱 앰프
마그네틱 앰프, 밑바닥 증폭 솔루션
미국 해군이 정리한 마그네틱 앰프 기술
오직 하나뿐! 완벽하게 독창적인 기술은 눈에 띄지 않는 상자에 담겨 있는 경우가 많습니다. 하지만 때로는 다소 푸른빛이 감도는 덮개 아래에 숨겨져 있기도 합니다…


제 말을 인용해 보겠습니다. 거의 정확히 10년 전, 저는 리뷰 말미에 다음과 같은 글을 썼습니다.
“Lars Lundahl의 MagAmp는 독보적인 앰프 기술을 보여주는 제품이며, 그 성능은 그야말로 경이롭습니다! 세련되면서도 강력한 사운드에 탄력 있고 풍부한 사운드가 더해져, 탁월한 맥락 감각을 보여줍니다. 청취자를 음악에 완전히 몰입시켜 거의 끌어당깁니다. 제가 경험해 본 적도 거의 없는 마법 같은 성능이며, 이 가격대에서는 전혀 경험해 본 적이 없습니다. MagAmp 덕분에 음악용 앰프를 찾는 일은
많은 경우 가격에 상관없이 완전히 제쳐둘 수 있습니다. 기꺼이 인정합니다. 돈만 있으면 꼭 살 겁니다!” – 인용 끝.
그동안 많은 일이 있었습니다. 예를 들어, 저는 MagAmp 제작비를 마련하지 못했습니다. 그 이유는 테스트 직후, Lundahl 회사는 핵심 사업, 즉 고품질의 때로는 독특한 트랜스포머 생산에 완전히 집중했기 때문입니다. MagAmp처럼 “유지보수 집약적인” 제품을 완성형 앰프로 생산하는 것은 스웨덴 전문 회사의 주니어 사장이자 전설적인 Lars Lundahl의 아들인 Per Lundahl에게는 너무나 복잡해 보였습니다. 각 MagAmp는 시간이 많이 소요되는 맞춤형 공정으로 제작되었으며, 당시 이미 은퇴 상태였던 Lundahl의 선임자가 최종 조정 및 튜닝을 담당해야 했습니다.
그리고 모든 유형의 기술 서비스에는 실제로 오랫동안 은퇴했던 한 사람만이 적합했습니다… 사업적 관점에서 볼 때 Per Lundahl이 MagAmp 생산을 중단한 것은 아마도 옳았을 것입니다. 하지만 하이파이 역사의 관점에서 보면 이는 심각한 타격이었습니다. 눈에 띄지 않지만 사랑스러웠던 앰프가 단종되면서, 하이파이 시장에서 정말 독특한 앰프 컨셉이 사라졌습니다.
이 문제로 몇 년, 아니 무려 10년 넘게 악어의 눈물을 흘렸습니다. 독자들의 문의는 끊이지 않습니다. 지난주 마지막 관심 당사자와 이야기를 나눴습니다. 그를 비롯한 MagAmp 팬클럽의 다른 모든 신규 회원들에게 이제 좋은 소식과 좋지 않은 소식이 전해졌습니다. 좋은 소식은 진짜 MagAmp가 다시 돌아왔다는 것입니다. 여러 면에서 확실히 개선된, 진정으로 가치 있는 후속작입니다. 좋지 않은 소식은 이 새로운 MagAmp의 가격이 어떤 사람들은 감격할지도 모르지만, 엄청난 연구와 제조 노력, 그리고 제공되는 음질에는 걸맞은 가치를 충분히 한다는 것입니다.
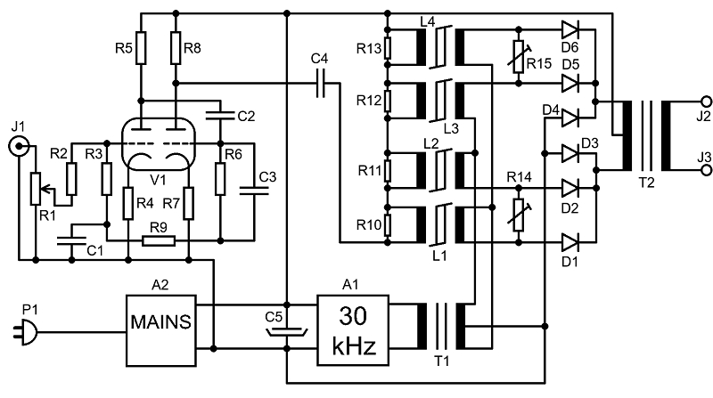
“자기 증폭기”인 MagAmp가 왜 그토록 독특하고 제조하기 복잡한지는 약 15년 전, 롤랜드 크래프트가 image hifi No. 10(4/1996)에서 생생하고 이해하기 쉽게 설명한 바 있습니다.
그는 당시 최초의 시제품을 테스트해 볼 수 있었습니다. 몇 가지 더 인용해 보겠습니다. 먼저 Lars Lundahl 본인의 말씀을 인용하겠습니다. “자기 증폭기의 증폭 소자는 다이오드와 코일의 직렬 연결입니다. 코일은 아나모픽 코어로 구성되어 있으며, 이는 쉽게 자화되어 포화되기 쉽습니다. 더 나아가 펄스 폭 변조를 적용하면 매우 높은 효율의 증폭기를 구현할 수 있습니다…”

(▲ 동그란 페라이트 RING CORE에 여러 권선을 교차하여 감기. 에나멜 선은 널려 있고 링 코어도 시중에서 쉽게 구할 수 있으니까 있으니까 DIY 할 수도 있다. 문제는… 코어 특성, 권선 작업의 결과가 음질에 큰 영향을 주는데 그것을 정확하게 제어하거나 계측하기가 어렵다는 점. 무시하고 강행하면, 아마도… 대충 소리는 나올 것)
몇 줄 뒤, RK는 실용적인 목적을 위해 다음과 같이 설명합니다. “MagAmp의 특징은 출력단이며, 그 뒤에 변압기가 있습니다. 증폭, 또는 제어 소자는 앞서 언급한 코일들의 조합이며, 그 기술적 특징은 코일 코어의 소재입니다. 자기 증폭기에 필요한 것은 가능한 가장 선형적인 전송 특성을 가진 매우 빠른 스위칭 시스템입니다.

과거에는 코어 소재의 어려움으로 인해 실패했습니다. 필요한 특성, 즉 기술적으로 히스테리시스 루프를 매우 빠르게 통과시켜야 하는 특성이 부족했기 때문입니다. 학습할 수 없었습니다. 이는 MagAmp가 왜 트랜스포머 업계에서 최고의 내부 정보 전문가이자 문제 해결사로 여겨지는 라르스 룬달(Lars Lundahl)이 소개합니다. 스웨덴에 있는 그의 트랜스포머 공장은 “난이도 높은” 제품과 모든 종류의 맞춤 제작 제품을 취급하는 최초의 공장으로 알려져 있습니다.
Lundahl의 주목할 만한 특징은 여전히 최고 품질의 “신품 재고”에서 공급받은 변압기 적층재를 사용한다는 것입니다. 따라서 핵심 핵심 소재는 공급되지 않고 완전히 독립적으로 개발 및 제조됩니다.
Roland Kraft는 다음과 같이 덧붙입니다. “MagAmp의 영업 비밀은 소위 ‘트랜스덕터’의 핵심 소재입니다. 이 경우 30kHz 발진기의 신호를 제어하는 역할을 합니다. MagAmp의 출력은 다른 앰프처럼 ‘순수한’ 음악 신호가 아닙니다. 간단히 말해, 개별 펄스로 구성된 신호를 사용할 수 있으며, 그 ‘엔벨로프’는 실제 신호를 나타냅니다.” 이러한 측면에서 그동안 거의 아무것도 변하지 않았으며, 여러 면에서 이는 좋은 일입니다.

(클라우스 재클은 다른 기기들과 마찬가지로 MagAmp에서도 섀시 원리에 경의를 표합니다. 오른쪽 상단에는 실제로 전력이 생성되는 발진기 보드가 있습니다.)

(아래층: 배선은 정교한 수작업으로 이루어진 섬세한 납땜 예술이며, 볼륨 리모컨을 위한 작은 수신기조차도 뻔뻔스럽게 아래쪽으로 살짝 보입니다.)
룬달 변압기는 여전히 세계 최고의 제조업체 중 하나이며, 자기 증폭기 설계는 라스 룬달의 은퇴 이후 아무도 자발적으로 시도하지 못한 매우 야심찬 과제로 남아 있습니다. 1960년대 반도체(여기서는 사이리스터)의 발전으로 그 작동 원리가 이미 시대에 뒤떨어진 것으로 여겨졌지만, 새천년기에 이르러 이 엔지니어링 분야는 마침내 완전히 가속화되고, 용감하며, 끈기 있게 오디오를 다루는 사람들의 영역으로 여겨지게 되었습니다.
이에 대해 질문을 받자 클라우스 야클레는 잠시 고민에 잠겼다. 작지만 훌륭한 하이엔드 제조사인 어쿠스틱플랜의 대표가, 그 복잡한 구조 때문에 이해하기 어렵고, 많은 정치인들이 조사 위원회를 통과하지 못하는 것처럼 기존의 측정 방법으로도 이해하기 어려운, 매혹적인 앰프 컨셉을 완성하는 데 얼마나 많은 창의성과 두뇌, 그리고 테스트가 필요한지 알았다면, 야클레는 결국 이 문제에 뛰어들지 않았을지도 모른다.
하지만 이미 너무 늦었다. 다시 말해, 그의 야망은 이미 오래전에 자리 잡았다. 그의 첫 프로토타입에서 얻은 사운드 경험은 너무나 매혹적이었고, 언젠가는 불가능해 보이는 것을 다시 가능하게 만들겠다는 생각 또한 마찬가지였다.
그런데 MagAmp의 회로는 아주 초기의 제어 및 조절 기술로 거슬러 올라가는데, Lars Lundahl이 스웨덴의 드라켄 전투기 개발 과정에서 이 독특한 오디오 회로를 발견했을 가능성이 높습니다. 그럼에도 불구하고 세부적인 내용, 특히 회로를 이해하는 것은 쉽지 않습니다. 사실상 불가능합니다. 클라우스 예클레는 이 행사를 위해 특별히 스웨덴의 Lars Lundahl을 방문했지만, 아무리 좋은 의도를 가지고 방문했어도, 수다스러운 것으로 잘 알려지지 않은 이 노령의 전자공학 거장에게서 관련 정보를 얻을 수 없었습니다.

그 이후로 AcousticPlan의 조명은 거의 매일 밤 켜졌습니다. 클라우스 재클은 모든 회로 세부 사항을 면밀히 조사하고 실제적으로 연구했습니다. 독특한 회로 구조 덕분에 개별 회로 그룹 간의 상호 작용은 예측 불가능하면서도 매우 민감하며, 콘스탄츠 호수 출신의 발명가에 따르면 “통념과는 완전히 다릅니다.” 다른 용도로 쓸 수 있는 오디오 분석기는 종종 그럴듯하지 않은 측정값을 제공했고, 오실로스코프는 “완전히 무시될” 수도 있었습니다.
간단히 말해, 재클은 새로운 MagAmp의 기본 원리를 파악하기 위해 때때로 자신만의 측정 방법을 개발해야 했습니다. 그럼에도 불구하고 그는 이 시스템을 완벽하게 실용적으로 만들기 위해 수많은 실험 회로를 제작하지 않을 수 없었습니다. 마지막으로, 스테레오 앰프의 좌우 채널 회로는 MagAmp 내부의 전류가 한 채널에서 다른 채널로 흐르기 때문에 매우 다르다는 점에 유의해야 합니다.
교과서와 작별하세요!
적어도 외관과 느낌 면에서는 Jäckle은 더 이상의 복잡한 문제 없이 이전의 독특한 라인에 충실했습니다. 그의 MagAmp는 회사의 “다른” 인티앰프인 Sitar(이미지 hifi No. 59, 2004년 5호 참조)와 Sarod 프리앰프(이미지 hifi No. 69, 2006년 3호 참조)와 동일한 외관을 공유합니다. 언제나 그렇듯, 촉감과 제작 기술은 최고 수준의 기준을 충족합니다. 눈에 띄는 짙은 파란색 전면 패널에는 켜기/끄기, 입력 선택, 볼륨 조절을 위한 세 개의 견고한 회전 노브가 있어 오랫동안 팬들의 사랑을 받아 왔습니다. 외부 전원 공급 장치는 멀리 떨어진 곳에 설치할 수 있으며, 최고급 멀티핀 나사 케이블을 통해 깨끗한 전원을 공급합니다.
MagAmp의 내부는 놀랍지 않게도 다양한 크기의 수많은 트랜스포머로 가득 차 있으며, 소위 트랜스듀서 보드에는 작지만 매우 특별한 모델 여덟 개가 장착되어 있습니다. 실제 전원 공급원인 오실레이터 또한 모듈 형태로 설계되었으며, AcousticPlan은 이를 제외하고는 회로 기판을 최대한 사용하지 않았습니다. 덧붙이자면, 새로운 MagAmp의 오실레이터는 더 이상 30kHz가 아닌 35kHz로 발진합니다. 또한, Jäckle은 앰프의 사용 가능한 오디오 주파수 응답을 최대 20kHz까지 선형화했습니다.
인티앰프의 프리앰프는 세 개의 진공관을 사용하는 순수 진공관 회로를 기반으로 합니다.
채널당 ECL82 하나와 “하프” ECC82 하나. 밸런스 조정은 후면 패널에 있는 두 개의 작은 전위차계로 조절하는데, 실제로는 두 채널 모두 최대 볼륨으로 설정합니다. 볼륨 리모컨은 매우 독창적입니다. 딱 두 개의 (분명히 라벨이 없는) 노브가 있는 초보적인 알루미늄 유닛으로, 해당 노브에 해당하는 리시버 아이는 전면 패널 아래에서 거실 쪽으로 살짝 부끄러운 듯 튀어나와 있습니다. 펠트 밑창의 네 개의 알루미늄 받침대는 섀시와 바닥 사이에 충분한 공간을 확보하여 앰프의 신선한 공기와 열 균형을 유지합니다. MagAmp가 상당히 편안한 기본 온도를 생성하기 때문에 이는 사소한 문제가 아닙니다. 매 청취 세션 전에 30분 정도 예열하면 모든 구성 요소가 최적의 작동 범위에서 작동합니다.

하지만 트랜스듀서 관련 문제로 너무 무리하지 마세요. 각 스피커 잭 쌍의 볼륨을 조절합니다. 깨끗한 15와트를 사용할 수 있으므로 적절한 효율 수준이 저하되지 않습니다. 예를 들어 실제 90dB이라고 가정해 보겠습니다. 모든 추가 데시벨은 더 많은 역동성과 음악으로 청각적이고 눈에 띄게 보상됩니다.
참고로: AcousticPlan 역시 이 부분에서 상당한 진전을 이루었다고 보고합니다. 모든 종류의 왜곡이 오리지널 모델과 비교했을 때 현저히 감소했는데, 명목상 동일한 성능을 발휘합니다. 그리고 스스로에게 거짓말은 하지 맙시다. 오리지널 모델의 음향적 매력은 분명 “매혹적인” 왜곡 스펙트럼 덕분이기도 합니다.
모든 면에서 개선된 새 버전은 이 부분에서도 그 진가를 발휘합니다. 당연히 더 깨끗하고 선명해졌지만, 그럼에도 불구하고 여전히 매혹적이며, 매우 균일하고 정말 터무니없이 스릴 넘치는 연주를 들려줍니다.
터무니없다는 말이 나와서 말인데, 처음부터 제가 했던 말을 다시 하고 싶습니다. 제 생각에는 쉽게 따라 할 수 있을 것 같습니다. 하지만 제 돈에 대해 더 이상 장담하고 싶지는 않습니다. MagAmp를 살 수 있는 (여유가 있는) 사람들이 부러울 뿐입니다.


깔끔하게 정리하셨습니다. 고생하셨습니다.
8개의 트랜스듀서 트랜스의 선형 특성과 빠른 자기 커브 실현이 기술의 핵심인 거 같습니다.
하모닉은 반도체 앰프보다 훨씬 많을 것이고, 음악성을 증대시키는 배음 구조를 가져서 듣기에 좋은 앰프일 것이라 생각합니다.
한가지 단점이 예상이 됩니다.
이 앰프의 실현 이전에는 자성체 소재 문제로(소리가 안 좋았겠죠) 상품화 하지 못하다가 비정형 자성체의 소재 기술이 발달하여 이 제품을 만들었다고 했습니다.
아마도 사용시간이 증가함에 따라 자성체의 특성변화가 따르고, 빈번하게 AS를 필요로 할 것 같은 상상을 해 봅니다.
완전 수작업 생산이라서 공급에 차질도 있고, 1100유로이면 다른 하이엔드 앰프보다 싼 편에 속하여, 수익창출도 실패했을 가능성도 보입니다.
이런 장인정신 가진 기술자들이 자기 자리를 지키지 못하고, 자본가에 의해 수천만, 수억짜리 초 고가화한 제품들이 세상을 지배하는 현실에 아쉬움이 남습니다.
관심 가져 주셔서 감사합니다.
아… 1만 1천 유로 아닌가요?
지금 환율로 2천만 원이 조금 안 되는데, 누군가 수입해서 유통한다고 하면 두 배쯤 가격으로 가겠죠? 잘 하면 차 한 대 가격이 될 듯하고 그러면, 좋은 게 차고 넘치는 세상에서… 조금 특이한 것에 수천 만 원 지출은… 지나치게 부자인 사람만 가능할 것 같습니다.
이것은 페라리나 람보르기니 구매와는 조금 사정이 다르니까, 안 팔리는 것을 각오한 기술 홍보용 파일럿 제품이 아닐까 싶었습니다. 그런 관점에서 더… 위 기사는, 룬달 앰프나 어쿠스틱 플랜의 특이 앰프를 홍보하려는 글쓴이의 의도가 깔려 있다고 생각했습니다.
아무려나 “트랜스포머로 신호를 증폭한다”는 것은 매우 펜시한 발상에 펜시한 사실이라고 생각합니다. 좋은 글 주제를 제공해주셔서 감사하고요.
—
아래 링크는 2010년 전시회에서… 매그앰프가 나와있네요.
https://www.euphonia-audioforum.se/forums/index.php?/forums/topic/8173-a-taiwanese-in-sweden-munchen-2010-and-others/page/3/
^^
0 이 빠졌습니다.
비싼 것은 맞습니다.
상대적으로 0 하나가 더 붙는 것과의 비교였습니다.
제 입장에서는 리뷰어처럼 돈이 모아지고 구입할 수 있다면..
궁금증 해소 차원의 바램을 적어보는 것입니다.. ㅎ
아하… 제가 문장 이해를 잘못했군요. 네… 저도 소리가 궁금합니다.